Bienvenu sur Educ Elec
In this section, you will find the most engaging articles for electrical engineering students who are looking to improve their technical skills.
Bien venu dans notre blog
In this section, you will find the most engaging articles for electrical engineering students who are looking to improve their technical skills.
Articles les plus consultés
Siemens S7-200 PLC : Fonctionnement, câblage et rôle dans les circuits électriques lire plus…
La Commande Électronique des Moteurs – Convertisseurs & Variateurs lire plus…
Comprendre le Moteur à Courant Continu : Fonctionnement, Types et Applications lire plus…
Pages les plus visitées
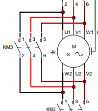
Comprendre le schéma de démarrage Etoile-triangle, télécharger le schéma complet en PDF lire plus…
Evaluez vous en ligne sur la lois d’Ohm et calcul de la puissance , et voir la note!! lire plus…
Exercices avec correction sur la lois d’Ohm et puissance , et des séries en PDF lire plus…
