AcceuilElectronique > Circuits Stabilisation

Exercices corrigés

Stabilisation des signaux

  • Rappel cours.


Avant de commencer les exercices, profitez d’un petit rappel des points clés pour mieux réussir.

  • Rappel cours.


Avant de commencer les exercices, profitez d’un petit rappel des points clés pour mieux réussir.

La stabilisation se fait par diode Zener ou régulateur de tension. Les diodes Zener étant déjà étudiées, rappelons les régulateurs.

Régulateurs de tension fixes des familles 78XX (positifs) et 79XX (négatifs) :

ce sont des régulateurs à trois broches. La figure suivante montre leur utilisation standard.

Il faut une tension d’entrée Ue telle que : Ue ≥ Usortie + 2 à 3 V.

Régulateurs monolithique ajustables :

– Positif : LM317 (ou LM117)
– Négatif : LM337 (ou LM137)

Ils fournissent jusqu’à 1,5 A avec une tension réglable de 1,25 V à 37 V.

La différence entre l’entrée et la sortie doit rester entre 3 V et 40 V.

  • Exercices corrigés.

Vous trouverez par la suite 3 exercices corrigés sur la loi d’Ohm et le calcul de la puissance électrique pour améliorer votre niveau en électricité.


  • Exercice N° 1 (Facile)

Données

  • U sortie = 5V 
  • I sortie = 750mA
  • U différentielle = 4V 
  • er = 3,2V c.à c., 100Hz (redressement avec pont)

Questions:

C filtrage = ?    ;   U entrée max (redressée)= ?    ;   

es du transformateur à utiliser = ?

  • Solutions Exercice N° 1

educelec

  • Exercice N° 2 (Facile +)

Question:

R2 = ?                    U différentielle = ?

  • Solutions Exercice N° 2 

educelec


 

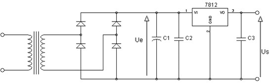
  • Exercice N° 3 (moyenne)

Soit le montage suivant :

  1. Quelle est la tension de sortie (Us) du montage ?
  2. Que doit être la tension minimale de l’entrée (Uemin) ?
  • Solutions Exercice N° 3

en cours